正文内容 评论(0)
早在NVIDIA的Fermi发布之前,AMD就加班加点将DX11战线部署完毕,不过从今年发布的几款DX11显卡我们不难看出,除了一款补全意义的HD 5830之外,HD 5670之后的产品都是主打低温低耗、高清播放以及特色技术,无论是HD 5570、HD 5450还是HD 5550,都无一例外。
如此以来也充分说明了不仅高端产品是AMD抢夺市场的重点,低端产品的布阵也毫不含糊。当然,这也与低端用户群体所占的比重有关,对于“米仓不足”而又对性能要求不是很高的用户来这类显卡还是非常受欢迎的。除此之外,网吧业主也是这类显卡的青睐者之一,对功耗的出色表现很大程度上节约了电费成本。
前不久,盈通就推出了一款R5550-HM1024GD3标准版显卡,显卡基于HD 5550显卡核心,频率与公版规格一致,采用短板设计,并主打性价比和低温低耗。近日这款显卡来到我们评测室,下面的文章就一起来看看这款499元的DX11显卡在游戏性能、高清播放有如何表现,当然还少不了检验这款显卡对温度和功耗的控制。
[盈通R5550标准版显卡赏析]由于AMD并没有为HD 5550提供公版卡,仅提供了显卡的公版规格,具体产品都由厂商自行设计,所以市面上的HD 5550也是差异不小。不过这款盈通R5550从外观上看较为主流, 并没有采用半高刀版设计,但显卡PCB较短,即便用户使用小机箱也并无大碍。
考虑到显卡本身定位不高,所以用料方面并无太多亮点,背部PCB较为简单,散热器由四个螺丝固定,整体来看元器件较少,也在情理之中。
显卡输出接口部分比较常见,采用了VGA+DVI+HDMI组合,VGA和DVI接口满足用户连接主流显示设备,而原生的HDMI能够支持7.1数字环绕音频输出,满足高清用户组建HTPC的需求。
卸下散热器后可以看到PCB全貌,由于HD 5550本身功耗不高,所以对供电要求也不苛刻,一相核心+一相显存的供电方案就完全能够满足需求。
核心规格方面,HD 5550相比定位较高的HD 5570有所降低,也就是在Redwood完整核心的基础上屏蔽一个SIMD阵列单元,流处理器单元由400个减少到320个,不过依然拥有8个光栅单元,完整支持最新的DirectX 11标准以及Shader Model 5.0。核心频率方面也维持了公版规格为550MHz,所以性能方面并无太多可期待之处。
显存部分,显卡板载了4颗华邦1.4ns GDDR3显存颗粒,单颗规格为128MB/32-bit,共同组成512MB/128-bit的规格,并可共享至1024MB,显存频率为1400MHz。
散热部分采用了一款普通多鳍片铝制散热器,除了保证核心散热的同时也能照顾到周边元器件,搭配大尺寸风扇可将核心散发的热量快速带走,不过风扇采用2pin供电接口,并不支持自动变速。
[测试平台及说明]了解完显卡,下面进入性能测试部分。为了防止系统瓶颈的发生,我们组建了一套高端平台进行测试。测试项目部分,考虑到显卡性能有限,所以还是以主流的DX9.0c和DX10游戏为主,另外还加入了高清播放以及温度和功耗测试,具体如下:
|
测试平台 |
|
|
中央处理器 |
Intel i7-920 2.67GHz |
|
主板 |
Intel DX58SO |
|
显卡 |
盈通R5550-HM1024GD3标准版|550/1400MHz |
|
内存 |
海盗船XMS3 DDR3 1333 1GB X3 |
|
硬盘 |
西数WD6400AAKS 640GB |
|
显示器 |
明基G2400W |
|
电源 |
超频三青金石750豪华版 |
|
散热器 |
Thermaltake U120E |
|
操作系统 |
Microsoft Windows 7 32bit中文版 |
|
测试项目 |
《3DMark 06》 《3DMark Vantage》 《街头霸王4》 《求生之路2》 《星际争霸2》 《使命召唤:现代战争2》 《生化危机5》 高清播放测试 功耗测试 温度测试 |
|
测试驱动 |
Intel Chipset Device Software驱动9.1.1.1025 PV版 AMD显卡催化剂10.4正式版 For Vista/Win7 |
软硬件安装完成以后,正确的测试方法是:开机进入到桌面上以后,待系统准备就绪后,才开始运行测试(关闭UAC、屏幕保护程序、系统还原、自动更新等对测试得分有干扰的系统任务)。所有测试项目都运行三遍,在测试成绩稳定、可靠的情况下,我们以其中最好的一次成绩为准。
[基准性能测试:3DMark 06]3DMark 06支持DX9.0C,并且是在前作3DMark 05的基础之上,重点加入了对DX9.0C的新增元素SM3.0和HDR(高动态范围渲染)的考察,因此3DMark 06成了DX9.0C的终极基准测试工具。在3DMark 06中,光束的渲染,光线的照射、反射,以及强光照射在物体表面上时带来的光晕,都被模拟得非常的真实,测试场景能跟很多电影特技相媲美。3DMark 06对显卡来说,测试难度大大提高。3DMark06支持多核心处理器,并且将CPU得分纳入总分之中,因此考察面更加广阔。
测试版本:3DMARK 06 v110,DirectX9.0C
测试选项:1280x1024和1680x1050(4AA,16AF)分辨率,测试结果如下:
虽然目前DX11逐步主流,而3DMark 06也仅支持到DX9.0C,不过显卡的基本性能表现还是有一定的参考价值,毕竟目前主流的DX9游戏也不再少数。从测试结果来看,盈通R5550表现中规中矩,在中等分辨率下应对大部分DX9.0c游戏还是没有问题的。
[基准性能测试:3DMark Vantage]作为业界第一套基于DX10 的综合性基准测试工具,3DMark Vantage在发布前就早早地让众人翘首期盼了。它能全面多核心处理器、发挥多路显卡的优势,能在当前和未来一段时间内满足PC系统游戏性能测试的需求。3DMark Vantage是专门为DX10显卡量身打造的,而且只能运行在Windows Vista SP1操作系统下。它包括两个图形测试项目、两个处理器测试项目、六个特性测试项目。借助于DX10 API的新技术和高效能,它为玩家带来了一场绚丽逼真的视觉特效盛宴。并且,3DMark Vantage还特别加入了对人工智能(AI)和物理加速的专门测试。
3DMark Vantage中,DX10、SM4.0、物理加速这些新技术第一次得以展现得淋漓尽致,3DMark Vantage还为我们带来了很多新颖的东西,它把测试结果按照画质等级预设划分成了入门级(Entry,E)、性能级(Performance,P)、高端级(High,H)、极限级(Extreme,X)四类,测试必须严格运行在这四套预设模式下;测试结果得分表达方式也改成了字母加数字的组合形式,从而更细致地反映系统性能等级,可以更对位、更公平地进行比较,省去了很多对测试结果再进行说明的麻烦。在本次的测试中,我们选用了性能级(Performance,P)、高端级(High,H)两项进行测试,结果如下:
3DMark Vantage中主要针对DX10性能进行测试,从结果来看P画质下盈通R5550得到了3291分,而H画质下也有1865分,考虑到显卡本身仅有320个流处理器单元,这样的表现也是可以接受的,显卡实际的性能还需看游戏中的实际表现。
[游戏性能测试:《街头霸王4》]在期待已久之后,Capcom公司的格斗游戏名作《街头霸王》系列的最新续作《街头霸王4》终于向玩家们显露出他的真实面貌。本作中,游戏中的角色是3D多边形建模的,而战斗形式则依然是玩家们所熟悉的2D风格,游戏画面的表现效果相当惊人。PC版除了支持高解析度画面输出之外,还为玩家提供了画面渲染风格选择的功能,除与家用机版一样的“普通”模式外,还有“水彩”、“海报”和“烟灰墨”这三种追加的渲染风格。玩家在游戏的设定选项中,可以根据自己的喜好对显示效果进行调解。
测试工具:官方benchmark。
测试选项:画质设置为High,分辨率为1280x1024和1680x1050(4AA,16AF)所有画质最高,测试结果如下:
《街霸4》对显卡的要求一般,盈通R5550这里也表现不错,1280x1024分辨率下达到了
60帧以上,而1680x1050分辨率也有52.4帧,流畅运行不成问题。不过开启抗锯齿选项后游戏帧数出现了较大幅度的下滑,玩家想要玩爽游戏只能关闭抗锯齿选项了。
《Left 4 Dead2》由Valve South工作室开发,是大受好评的《Left 4 Dead》续作,故事发生的时间与原作几乎相同,将呈现另外四名幸存者在僵尸横行的四个场景中奋力求生的艰辛历程,地点及时间背景与当前的L4D一致,只不过角色是新角色,场景是同一地点的另一位面,敌人中也将出现新的僵尸,新的近战武器,新的对抗僵尸武器和电锯。《Left 4 Dead2》继续使用了Valve的Source引擎,Valve表示本作中的怪物AI更高,能根据玩家的能力动态的改变关卡难度,调正僵尸数量,效果和声音。此外它还能从程序上改变天气情况,虚拟环境中物体,以及通过的路径。Valve称更多的互相配合的战役关卡,将使续集的游戏持续时长远超前作。Valve保证新游戏规模更庞大,智能程度更高,制作更精细,也更血腥。

测试设置:分辨率为1280x1024和1680x1050(4AA 16AF),开启多核支持,同时关闭垂直同步,所有画质最高。
测试方法:驱动之家自己录制的Demo,测试结果如下:
与前作一样这款游戏同样采用了Source引擎,所以要求也不是很高。这里表现与上一款游戏表现相似,同样是开启抗锯齿选项后出现了成绩的大幅下滑,不过玩家在不开启抗锯齿的情况下还是能够获得不错的流畅度的。
[游戏性能测试:《星际争霸2》]万众瞩目的RTS神作《星际争霸2》终于在12年之后来到世人眼前,相比前作《星际争霸》,这款续作由2D向3D转变,画质方面也有了飞跃地提升。目前暴雪已经正式开放了《星际争霸2:自由之翼》的Beta测试,虽然该游戏并不支持时下流行的DX10、10.1甚至DX11,但暴雪凭借成熟的DX9C技术,也将画面做的非常完美,大量HDR及SSAO特效的应用对显卡的要求并不低。
测试选项:分辨率设置为1280x1024、1680x1050和1920x1200,高画质。
测试方法:利用Fraps记录由录像开始后10分钟固定场景的平均帧数。
从测试结果来看,三种选项下盈通R5550都维持在30帧以上,基本保证了游戏的流畅度。不过考虑到RTS游戏对游戏帧数要求较高,想要玩爽最好还是降低一些特效。
[游戏性能测试:《使命召唤:现代战争2》]如果评选去年最受期待的FPS游戏大作,非《使命召唤:现代战争2》莫属。作为备受游戏玩家喜爱的第四代使命召唤《现代战争》的续作,Infinity Ward公司亲自打造的《现代战争2》继承了前作的优良血统,并在游戏方式、游戏画质等多方面有所增强,因此发售不到一周销量便超过了前作,无日内吸金超过5.5亿美元。本作继续使用了IW4.0引擎,画质选项虽然增加不多,但实际游戏表现令人印象深刻。游戏中的人物刻画十分精细,物体的纹理清晰自然,战斗场景也带来强烈的身临其境感,爆炸以及烟雾效果也颇为真实,逼真的画面结合游戏出色的音效使玩家仿佛置身于真实的战争场景,临场感十足。
测试选项:分辨率设置为1280x1024和1680x1050(4AA),纹理设置最高,开启所有特效。
测试方法:选择ACTII 中的The Gulag关卡中开始场景,用Fraps记录游戏开始至人物可以自由活动之间的帧数。
《现代战争2》画质表现不错,不过游戏对显卡的要求不高。这里盈通R5550三个选项下均达到了流畅运行的标准,1680x1050 4AA情况下也有38帧的表现。
[游戏性能测试:《生化危机5》]《生化危机5》的剧情将围绕病毒起源为核心展开,故事背景设定在安布雷拉公司覆灭之后,舞台转移到了神秘的非洲大陆。游戏引入了在线和本地联机的要素,支持双人分屏游戏,流程中有大量类似于《生化危机》中的双人协作解迷要素,需要玩家与好友或是NPC控制的搭档协力才能通过的战斗和机关。PC版同时支持DX9和DX10两种画质模式,在主机版的基础上强化了画质表现,更大的分辨率,更高的抗锯齿技术使得PC版在画面上远胜主机平台。
测试工具:官方bencchmark。
测试设置:DX10模式,分辨率设置为1280x1024和1680x1050(4AA)画质最高。
虽然同为FPS游戏,但相比《现代战争2》,《生化危机5》的要求要高不少。不过从结果来看,盈通R5550表现不尽如人意,仅在1280x1024分辨率能够满足流畅运行游戏的基本条件。
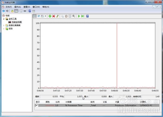
[高清播放测试]而对于入门显卡来说性能测试仅是一个方面,高清播放的表现也是一个重点。片源方面,我们选择了H.264和VC-1两种主流高清格式视频,播放器方面采用PowerDVD 10,开启硬件加速。利用Windows 7性能监视器实时记录CPU占用率,具体如下:
《变形金刚》,H.264格式,1080P分辨率,平均码率18.2Mbps,最大码率为48Mbps,音频编码为杜比AC-3 192K。
高清试机碟,VC-1格式,平均码率37.6Mbps,1080P分辨率,音频为杜比AC-3 640K。
从测试结果来看,两种格式高清视频播放下盈通R5550都表现十分优异,其中H.264格式CPU平均占用率仅为1.057%,最高也未超过2%;VC-1格式CPU平均占用率为1.104%,最高为2.7%,依然保持了很低的水平,完全释放了CPU的压力。
[温度、功耗测试及总结]从HD 5670、HD 5570再到HD 5550,AMD发布的一些列低端DX11显卡都有低温低耗的优点,而这款盈通R5550采用公版规格默认频率设置,所以温度和功耗的控制很值得期待。温度测试方面,我们挑选了用户最常见的显卡待机、高清播放、游戏以及满载四种状态,利用GPU-Z实时监控,待连续运行10分钟待峰值温度稳定后,记录此时显卡核心的最高温度。(室温23℃)
得益于40nm工艺以及HD 5550的小核心优势,这款盈通R5550的核心温度得到了很好的控制。其中待机状态核心最高仅为40℃,高清播放也不过上升了2℃,游戏状态为47℃,满载状态始终未超过52℃。另外,虽然显卡搭载的风扇不支持自动变速,但从实测过程来看,显卡一直处于比较安静的状态,即便是满载状态也没有出现很大的噪,表现令人满意。
功耗测试同样选择以上四种状态,利用功耗仪记录整个系统的功耗(不包含显示器),稳定运行10分钟选取期间最大值。
由于HD 5550本身TDP就不高,所以这款盈通R5550的功耗控制自然不必担心,再加上A卡的PowerPlay技术,良好的功耗表现自然而然。从结果来看,待机状态功耗仅为113w,满载也为超过160w,对于一套四核处理器的高端平台来说如此的功耗表现已经相当不错了,如果换做低端平台,功耗将会进一步降低。
经过一番性能、高清播放、温度及功耗检验,我们对这款盈通R5550-HM1024GD3标准版也有了一个透彻的了解。由于HD 5550本身定位不高,再加上这款显卡也未将默认频率提升,所以性能方面比较有限,虽然在高分辨率下流畅度不够,不过在中低分辨率下应对DX9.0/DX10游戏还是不成问题的。
当然,对于购买这个价位的用户来说,性能并非唯一考量的因素,这里就不得不提到显卡在高清播放方面的出色表现,以及对温度和功耗的良好控制,在前面的测试中我们也印证了这两点。总体来说,出色的能耗比是这款显卡的亮点所在,499元的价位加上低温低耗等优势,适合对游戏性能要求一般,对温度和功耗比较敏感的入门高清用户和网吧业主选购。
































